Твердотельные реле Greegoo серии GDH
08.12.2025
На складе «ЧИП и ДИП» новое поступление твердотельных реле от производителя Greegoo, серии GDH. Серия GDH представлена моделями:
- 120А - GDH-12048ZA2 и GDH-12048ZD3
- 100А - GDH-10048ZA2 и GDH-10048ZD3
- 80А - GDH-8048ZA2 и GDH-8048ZD3
- 60А - GDH-6048ZA2 и GDH-6048ZD3
- 40А - GDH-4048ZA2 и GDH-4048ZD3
Реле серии GDH обеспечивают коммутируемую мощность от 40 до 120 ампер и номинальное напряжение 480 вольт переменного тока.
Реле серии GDH спроектированы с гибридной технологией двойного SCR-питания, обеспечивающей высокоэффективное терморегулирование и значительный срок службы.
Особенности
- Высокая производительность
- Логически совместимый вход с регулируемым током
- Оптическая изоляция 2500 Vrms
- Светодиодная индикация для ввода управления
- Переключение Zero-crossing
- Диапазон управляющих напряжений: от 3 до 32 В постоянного тока или от 90 до 250 В переменного тока.
Расшифровка обозначений реле
- G - Greegoo
- D- Single phase
- H - SCR output
- 40 - 40A, 60 - 60A, 80 - 80A, 100 - 100A, 120 - 120A
- 28 - 280V, 48 - 480V
- Z - zero control, R - random control
- D1 - 4-16Vdc, D3 - 4-32Vdc, A2 - 90-250Vac
Основные параметры серии GDH
| Параметр | D1 | D3 | A2 |
|---|---|---|---|
| Диапазон управляющего напряжения | 4 - 16Vdc | 4 - 32Vdc | 90 - 250Vac |
| Входной ток (макс.) | 7/20mAdc @=5V/12V | 13/16mAdc @=5V/12V | 30mAac @=220V |
| Напряжение включения | 4Vdc | 4Vdc | 90Vac |
| Напряжение выключения | 1Vdc | 1Vdc | 10Vac |
| Обратное напряжение (макс.) | 32Vdc | 32Vdc | / |
| Един. Изм. | Значения | |||||
|---|---|---|---|---|---|---|
| Модель GDH | A | 40 | 60 | 80 | 100 | 120 |
| Диапазон токов нагрузки | Arms | 0.05 - 40 | 0.05 - 60 | 0.05 - 80 | 0.05 - 100 | 0.05 - 120 |
| Импульсный ток 20 Мс (макс.) | Arms | 400 | 600 | 1000 | 1200 | 1500 |
| Диапазон напряжений нагрузки (280 В) | Vrms | 24 ... 280 | ||||
| Избыточное напряжение SCR (280 В) | Vpk | 800 | ||||
| Диапазон напряжений нагрузки (480 В) | Vrms | 44 ... 480 | ||||
| Избыточное напряжение SCR (480 В) | Vpk | 1200 | ||||
| Тепловое сопротивление | °C/w | 1.3 | 0.65 | 0.5 | 0.3 | 0.3 |
| Частотный диапазон | Hz | 47 ... 63 | ||||
| Время включения (макс.) "Z" | Cycle | 1/2 | ||||
| Время включения (макс.) "R" | mSec | 1 | ||||
| Время выключения (макс.) | Cycle | 1/2 | ||||
| Время выключения (макс.) "A2" | mSec | 40 | ||||
| Диэлектрик (вход/выход) | Vrms | 2500 | ||||
| Диапазон температур окружающей среды | Эксплуатация или хранение -30°C...+80°C | |||||
| Вес | 145g | |||||
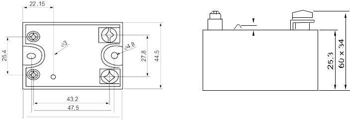
Размеры реле

На складе «ЧИП и ДИП» в наличии поддерживается 28 самых востребованных артикулов твердотельных реле Greegoo. Под заказ доступен весь ассортимент производителя Greegoo.
По всем вопросам просьба обращаться по телефону +7 495 544 00 08 или по электронной почте sales@chipdip.ru